|
|
Модули - типовые узлы силовых схем
В составе различных по структуре источников питания можно выделить части схемы, которые имеют одинаковое назначение и конфигурацию. Имеет смысл выявить эти узлы, и выполнить их в виде схемных и физических отдельных модулей. Такой подход позволяет при разработке нового изделия сосредоточить все усилия на новые для нашего понимания элементы схемы, не отвлекаясь на многократную разработку повторяющихся частей. При достаточно глубокой проработке набора модулей, построение нового изделия можно свести к простому соединению элементов из этого набора.
Попытка построения такого набора модулей отражена в этом разделе:
-
-
-
-
Модуль служебного электропитания 14 В х 1 А + 18 В х 1 А .
* * *
Трансформаторный драйвер силовых ключей с отрицательным смещением на затворе управляемого транзистора
Предлагаемый драйвер содержит минимальное количество деталей, обеспечивающих максимальное качество выходного сигнала и отрицательное смещение на затворе закрытого транзистора. Резистор R5 вынесен к затвору после стабилитронов, что при выгорании силовых ключей приводит к сгоранию только этого резистора и сохранению остальной части схемы.
Схема:

Расположение элементов на плате:


Печатная плата:

Здесь находится модель описанного модуля.
Можно посмотреть также ответы на вопросы, заданные по этой теме
Здесь можно скачать файл в формате PDF для изготовления платы способом ЛУТ (лазерно-утюжной технологии). При печати в настройках параметров печати установить "Масштаб страницы" = "нет".

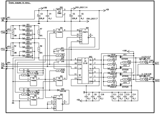
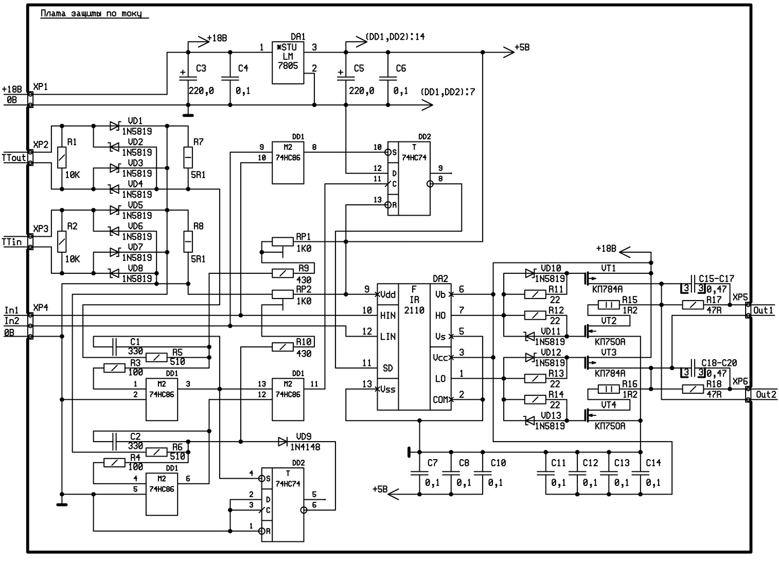
Схема защиты двухтактного преобразователя от превышения установленных значений тока в первичной обмотке трансформатора и тока намагничивания
Используется как приставка к микросхеме TL494, или к микроконтроллеру для аппаратной организации поциклового ограничения тока в первичной обмотке силового трансформатора и для автоматического симметрирования тока его намагничивания.
Схема электрическая принципиальная:

Увеличить
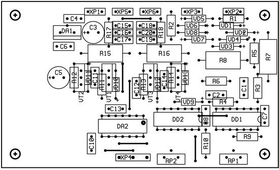
Расположение элементов на печатной плате:


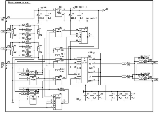
Упрощённый вариант
Не содержит усилителей мощности на выходе. Может использоваться в схемах с одним, или двумя силовыми транзисторами (обратноходовый и прямоходовый преобразователи на одном транзисторе, или на сдвоенных транзисторах, полумост, пушпул, косой мост).
Схема электрическая принципиальная:

Увеличить
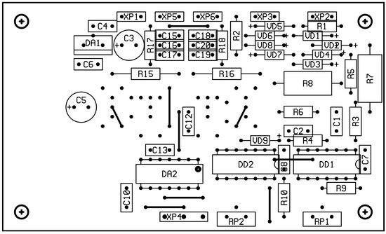
Расположение элементов на печатной плате:


Печатная плата:
.jpg)
Здесь можно скачать файл в формате PDF для изготовления платы способом ЛУТ (лазерно-утюжной технологии). При печати в настройках параметров печати установить "Масштаб страницы" = "нет".
Здесь описание работы схемы в формате .doc.
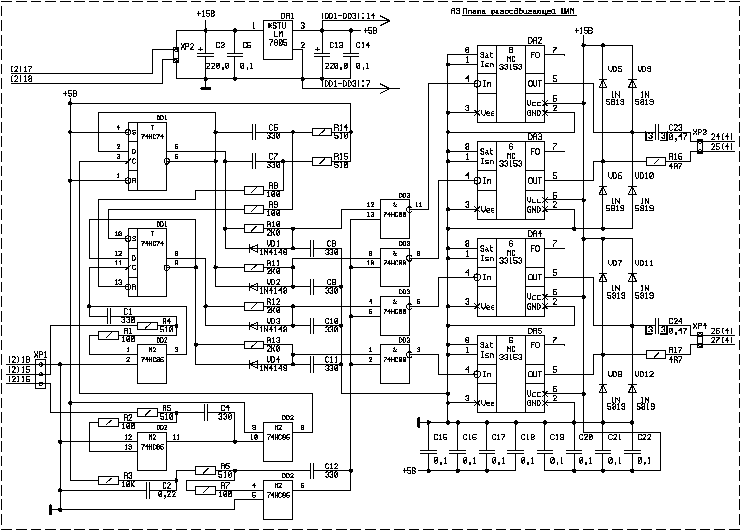
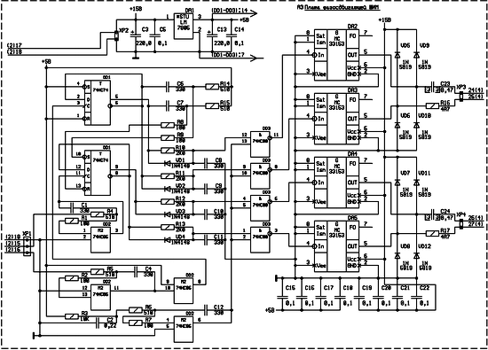
Схема преобразования классической ШИМ в ФСШИМ (Фазосдвигающую ШИМ)
Используется как приставка к ШИМ-контроллеру для получения управляющих импульсов для фазосдвигающего моста. Получается дешевле специализированных микроскем UC3875, UCC3895 и др. Позволяет в более широких пределах регулировать мёртвое время, и легко изменять параметры импульсов при экспериментах. Хорошо показала себя в серийных изделиях.
Принципиальная электрическая схема:
.gif)
Увеличить
Печатная плата:

Расположение элементов на печатной плате:


Пример подключения к TL494:
.gif)
Схема состоит из собственно преобразователя на микросхемах DD1 и DD2, схемы задержки фронта включения (DD3, R10-R13, VD1-VD4, C8-C11) и формирователей выходных уровней DA2-DA5. Если в качестве формирователей используются элементы с прямыми входами, диоды VD1-VD4 в схеме задержки следует перевернуть (поменять полярность). При указанных номиналах R10-R13, C8-C11 задержка ориентировочно составляет 220 нс, при номиналах R10-R13 1,5 КОм - 250 нс, при 2,0 КОм - 300 нс. при 5,1 КОм - 900 нс.
Основная идея работы схемы заключается в непрерывном формировании импульсов ФСШИМ (ФазоСдвигающей ШИМ) независимо от наличия ШИМ-импульсов на выходе TL494. Верхний по схеме триггер переключается от генератора пилы TL494 по окончанию пилообразного импульса, независимо от наличия импульсов на выходе ШИМ. Когда их нет, нижний триггер повторяет состояние верхнего с задержкой 20 нс.
При появлении импульсов на выходе ШИМ, нижний триггер переключится до окончания пилы, то есть, раньше верхнего, и при переключении верхнего триггера просто подтвердится состояние нижнего.
Здесь можно скачать файл в формате PDF для изготовления платы способом ЛУТ (лазерно-утюжной технологии). При печати в настройках параметров печати установить "Масштаб страницы" = "нет".
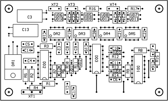
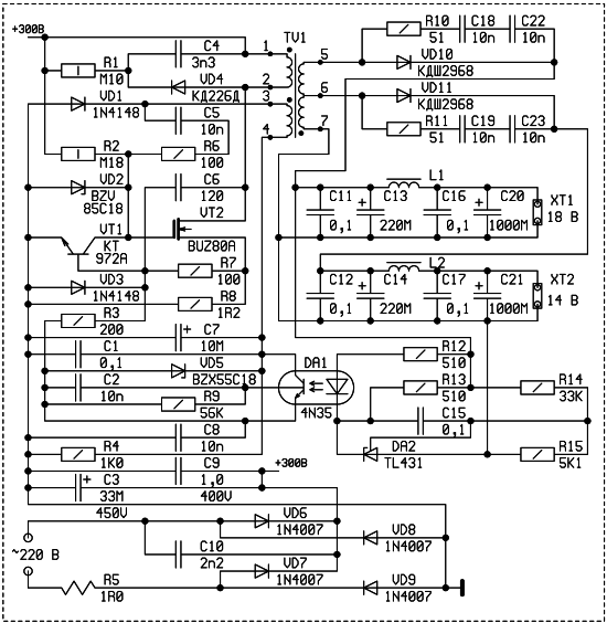
Модуль электропитания 13,5 В х 1 А + 18 В х 1 А
Используется для электропитания схемы управления, вентиляторов на 12 В, и другого вспомогательного оборудования.
Имеет два выхода с напряжениями 13,5 В и 18 В. Каждый выход обеспечивает ток до 1 А.
Принципиальная электрическая схема:

Внимание! Доработка схемы по результатам испытаний:
Ёмкости конденсаторов C18, C19, C22, C23 должны быть равны 3300 пФ.
Причина: При величине ёмкости указанных конденсаторов 10000 пФ и при повышенном напряжении питания 242 В, резисторы R10 и R11 перегреваются и выходят из строя, что приводит к пробою защищаемых ими диодов UD10 и VD11. (На диодах появляются выбросы напряжения, амплитуда которых превышает напряжение пробоя диодов. А диоды Шоттки, в отличие от простых диодов, имеют необратимый пробой,)
Печатная плата:

Расположение элементов на печатной плате:

С выходными дросселями на альсиферовых кольцах:



С выходными дросселями на ферритовых сердечниках с зазором:


Модуль питания собран по схеме обратноходового преобразователя на полевом транзисторе.
Напряжение 18 В используется для питания схемы управления, к которой подключены драйверы с отрицательным смещением на затворе управляемого транзистора. Повышенное, по сравнению со стандартными 15 В, напряжение питания драйверов, позволяет получить на их выходе амплитуду сигнала 15 В, и отрицательное смещение 2,5 В, обеспечивающие надёжное включение и выключение практически любого полевого и IGBT транзистора.
Напряжение 13,5 В используется для питания вентиляторов на 12 В, силового реле и другого вспомогательного оборудования. Несколько повышенное напряжение на вентиляторах ощутимо увеличивает их производительность.
Трансформатор TV1 выполнен на сердечнике EPCOS E30/15/7 N87 с прокладками 0,2 мм между крайними кернами, (Суммарный зазор 0,4 мм).
Обмотка 1-2 намотана первой, проводом ПЭТВ-2-0,315 мм, в два слоя, по 40 витков в слое. Между слоями обмотки проложен один слой лакоткани.
Поверх первичной обмотки проложено два слоя лакоткани и тем же проводом намотано 5 витков обмотки связи 3-4, равномерно распределённых по ширине каркаса. Поверх обмотки связи проложен слой строительного бумажного скотча, два слоя лакоткани, и опять один слой строительного скотча. Лента лакоткани приклеивается к концу первого и началу второго слоев скотча, что устраняет проблему её фиксации.
Вторичная обмотка намотана двумя проводами ПЭТ-155-0,56 мм, имеет 12 витков, с отводом от 9-го витка, и занимает всю ширину каркаса.
Были испытаны трансформаторы, в которых использовались сердечники EPCOS E20/10/6 N87, отечественные сердечники М2000НМ Ш6х6, Ш7х7 и Ш8х8, с теми же моточными данными, но диаметр провода выбирался таким, чтобы первичная обмотка занимала всю ширину каркаса в два слоя, а вторичная - в один слой. Зазор оставался таким же. Во всех случаях источник работал одинаково устойчиво, различие состояло в степени нагрева трансформатора, На малых и отечественных сердечниках нагрев больше, но не фатально.
Правильность выбранного зазора можно проверить, посмотрев сигнал на резисторе R8. Напряжение на нём в начале каждого периода колебаний должно нарастать линейно. Если появляется загиб вверх, зазор необходимо увеличить. Ориентировочная частота генерации при полной нагрузке составляет 80 - 120 КГц.
Выходные дроссели L1 и L2 намотаны в первом варианте на двух сложенных вместе сердечниках ТЧК-55П К15х7х4,8 проводом ПЭТ-155-0,56мм, по 30 витков в каждом. Во втором варианте - на ферритовых сердечниках EPCOS RM6 из материала N48, с зазором, обеспечивающим индуктивность на один виток: Al = 250 нГ/вит², о чём и написано на самом сердечнике. В каждом дросселе обмотка выполнена проводом ПЭТ-155-0,56 мм, и имеет 18 витков.
Рассчитать выходной дроссель несложно, если в наличии имеются другие сердечники. Для этого можно воспользоваться формулой:
B = L*Im / N*Ae, или, подставив L = Al*N²,
B = Al*N*Im / Ae, где L - индуктивность обмотки; N - количество витков в обмотке; Ae - площадь поперечного сечения сердечника; Im - максимально допустимый ток в обмотке (в нашем случае выбираем Im = 2 A); Al - удельная индуктивность сердечника. Все размерности в системе СИ.
Первой формулой можно воспользоваться для проверки пригодности имеющегося дросселя для конкретного тока. А подставив вместо B максимально допустимую величину индукции Bm, и преобразовав её к виду:
Im = Bm*N*Ae / L, получим формулу, которая позволяет рассчитать ток, при котором насытится готовый дроссель. Этой же формулой можно проверить пригодность намотанного трансформатора TV1.
Второй формулой удобнее пользоваться, когда известна удельная индуктивность сердечника Al. Мы применим её для оценки пригодности имеющегося сердечника. Для этого наматываем на испытуемый сердечник N витков провода, и измеряем индуктивность полученной обмотки L. Находим удельную индуктивность сердечника:
Al = L / N², определяем число витков Nd, необходимое для получения заданной индуктивности Ld (в нашем случае Ld = 100*10-6 Гн):
Nd = V¯(Ld / Al), и проверяем индукцию по первой, или второй формуле. Если индукция превышает допустимую, увеличиваем зазор в сердечнике и повторяем измерение и расчёт. Когда нет подходящего сердечника, воспользовавшись приведённой методикой, можно проверить на пригодность любой ферритовый стержень.
Пример: На кольцо ТЧК-55П К15х7х4,8 с поперечным сечением Ae = 17,5 мм² = 17,5*10-6 м² намотали 30 витков провода, и измерили индуктивность полученной обмотки. Она оказалась равной L = 50 мкГн = 50*10-6 Гн. Вычисляем удельную индуктивность:
Al = L / N² = 50*10-6 / 30² = 56*10-9 [Гн/виток²], и определяем необходимое число витков Nd, для получения индуктивности Ld = 100*10-6 Гн):
Nd = V¯(Ld / Al) = V¯(100*10-6 / 56*10-9) = 42,3 ≈ 43 [витка]. Вычисляем индукцию в сердечнике при токе Im = 2 A:
B = Al*N*Im / Ae = 56*10-9*43*2 / 17,5*10-6 = 275,2*10-3 [Тл] ≈ 0,275 Тл, что не превышает индукцию насыщения для используемого материала. Однако, количество витков всё же много. Более предпочтительным показалось применение двух сердечников в дросселе, при меньшем количеством витков.
О процессе наладки речи не идёт. Работает сразу. Если не работает, - значит, что-то неправильно собрано.
Здесь находится модель описанного модуля.
Можно посмотреть также ответы на вопросы, заданные по этой теме
Здесь можно скачать файл в формате PDF для изготовления платы способом ЛУТ (лазерно-утюжной технологии). При печати в настройках параметров печати установить "Масштаб страницы" = "нет".
|