Разное >> МикроконтроллерыДоработка программатора Хаммера.
Те, кто работает с микроконтроллерами AVR фирмы ATMEL знают, что для них желательно иметь параллельный программатор. Он позволяет восстанавливать микросхемы, в которые запрограммированы коды, отключающие вывод сброса и режим последовательного программирования. Многие выбирают программатор по схеме Хаммера: http://www.der-hammer.info/hvprog/index_en.htm . Интерес к нему объясняется тем, что он позволяет работать непосредственно в AVRStudio, не требуя дополнительных программ и обновляется вместе с ней. Появилось несколько модификаций этого программатора в плане перехода от работы с COM портом к порту USB. Практически программатор представляет собой урезанный отладочный модуль STK500, поддерживаемый AVRStudio. И файл, предназначенный для программирования микроконтроллера ATMEGA8535, на котором построены модуль STK500 и программатор Хаммера, берётся прямо из AVRStudio. Я тоже собрал такой программатор, в основном для работы с микроконтроллером ATtiny261. Схему самого программатора и адаптера для микросхемы ATtiny261 без труда нашёл в Интернете. Программатор сразу заработал с микросхемами ATMEGA8535 и ATMEGA8, но с нужной мне ATtiny261 работать отказывался. При изучении вопроса выяснилось, что именно для ATtiny261, и только для неё, в программе STK500 переназначены выводы программирования и не соответствуют схеме, приведённой в справочном листке (datasheet) на микросхему ATtiny261. Поэтому схема адаптера для неё, которая распространена в Интернете и честно сделана в соответствии с документацией на микросхему, не работает. Назначение выводов согласно datasheet ATtiny261 показано на рисунке слева, а правильное подключение к программатору Хаммера справа:

Увеличить
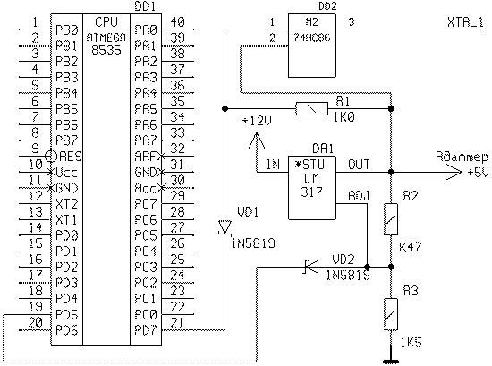
После перепайки выводов адаптера в соответствии с правым рисунком, микросхема стала определяться, читаться и программироваться. Но до тех пор, пока не запрограммирована фьюза RSTDISABLE. То есть, то, ради чего делался параллельный программатор, не работало. Дальнейшее расследование показало, что временная диаграмма, необходимая для параллельного программирования микросхемы ATtiny261 выполняется неправильно. Для получения правильной временной диаграммы необходимо восстановить некоторые цепи от STK500, выброшенные Хаммером. В результате проведённой работы образовалась доработка в виде:

Увеличить
После доработки микросхема ATtiny261 стала программироваться без проблем. Одновременно расширился диапазон питающих напряжений, в котором программатор нормально работает.
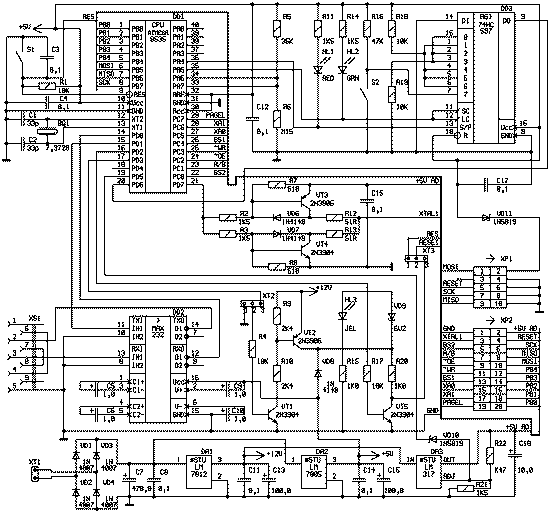
Полная схема доработанного программатора:
*Примечание. Рекомендуемая в описании ATMEGA8535 ёмкость конденсаторов С1 и С2 должна быть в диапазоне (12 - 22) пФ. При этом в STK500 между выводами 11 и 13 подключён конденсатор ёмкостью 12 пФ. Исходя из этого, ёмкости С1 и С2 выбраны .равными 33 пФ. У меня проблем нет, но в случае неустойчивой работы программатора, возможно, эти ёмкости следует уменьшитьть.. Увеличить
В доработанной схеме инвертор построен на транзисторах VT3, VT4. Идеологически этот вариант наиболее полно соответствует STK500. Отличие этой схемы от схемы Хаммера в том, что вместо регистра 74HC165N использован регистр 74HC597N. И вместо моста на входе питания - четыре диода. Изменены некоторые номиналы резисторов с целью улучшения сигнала 12 В RESET.
Печатная плата односторонняя, но имеет 13 перемычек:
Сборочный чертёж выглядит так:
В сборочном чертеже нарисованы отечественные транзисторы, например, КТ3102 в пластмассе и КТ3107. Если устанавливать 2N3904 и 2N3906, как указано в схеме, их надо перевернуть на 180 градусов. На сборочном чертеже буквой Е обозначены эмиттеры транзисторов, средний вывод - база. В любом случае надо следить, чтобы эмиттер и база попали на своё место.
Печатная плата универсального адаптера односторонняя и содержит 24 перемычки:

Расположение перемычек:

При таком количестве перемычек появляется желание делать двустороннюю плату. Для этого можно использовать файл платы адаптера в PCAD 2004.
Вариант совмещённой платы программатора и адаптера:

Сборочный чертёж:

Адаптер в совмещённом варианте отличается от отдельного адаптера расположением контактов в разъёме и не рекомендуется для отдельного изготовления. Надписи на плате можно нанести методом ЛУТ, или наклеить. При программировании контроллера ATMEGA8535 устанавливать фьюзы можно в соответствии с одним из двух вариантов, показанных на рисунке:

Увеличить
Замечания по наладке (обратная связь):
1. В процессе наладки выяснилось, что программатор чувствителен к качеству источника пиьания. Хаммер пишет, что источник должен обеспечивать ток 500 мА, и это пожоже на правду. Я трансформатор не ставил Сначала запитал от универсального источника 12 В для какого-то бытового прибора. Наблюдалось просаживание напряжения 12 В, пока не поставил источник питания 12 В от ноутбука. Просаживание напряжения прекратилось. По информации из Интернета, если использовать выпрямитель согласно схеме, то мощность трансформатора должна быть не менее 25 Вт.. 2. Некоторые микросхемы (ATTINY13) не прошиваются в режиме параллельного программирования. Выяснилось, что из-за малого потребления тока программируемой микросхемой, конденсаторы, установленные в цепи питания адаптера, не успевают разряжаться. Подключение резистора 300 Ом с выхода микросхемы LM317 на общий провод устранило проблему. 3. Обнаружена ошибка в печатной плате: подключение контактов XT2 на печатной плате не соответствует принципиальной схеме. Для исправления ситуации контакт 1, соединённый с общим проводом, следует удалить. Тогда будет просто как у Хаммера. Для отключения высоковольтного программирования перемычка убирается. 4. На форуме Радиокота "Параллельный программатор", начиная со стр.95: http://radiokot.ru/forum/viewtopic.php?f=20&t=864&sid=c89d45beb6ed103b07e8346a607b5559&start=1880 приводится много толковых замечаний по этой статье, предложений по улучшению схемы, по наладке, вариант печатной платы с исправлением ошибки (см. п. 3), интересный и давно известный программатор от Сёмы с указанными здесь доработками, и другими интересными наработками. Ввиду чего считаю, что свой вклад в коллективную разработку хорошего программатора я могу считать завершённым и по всем вопросам рекомендую в дальнейшем обращаться по указанной ссылке.
Документация:
- на программатор: Файл в формате PDF для изготовления платы способом ЛУТ (лазерно-утюжной технологии). При печати в настройках параметров печати установить "Масштаб страницы" = "нет" Сборочный чертёж в формате PDF Файл печатной платы в PCAD 2004.
- на плату адаптера: Файл в формате PDF для изготовления платы способом ЛУТ. Сборочный чертёж и назначение панелек адаптера в формате PDF. Файл печатной платы в PCAD 2004.
- на совмещённую плату программатора и адаптера: Файл в формате PDF для изготовления платы способом ЛУТ. Сборочный чертёж в формате PDF Файл печатной платы в PCAD 2004.
Хочу обратить внимание, что никакой PDF файл не обеспечит высокого качества печати для ЛУТ. Самое высокое качество получается при печати из PCAD 2006 непосредственно на принтер. В PCAD 2004 почему-то отверстия в пятачках не совсем прозрачные.
- на плату программатора и адаптера отдельно, в формате Sprint Layout 5 (прислал Алексей Клименков, за что скажем ему СПАСИБО!): Файл в архиве
Для облегчения прошивки контроллера ATMEGA8535, собрал в одном месте файлы, которые при этом могут понадобиться: - исходный файл STK500.ebn из STK500, программу EBN2HEX.exe перевода .ebn в .hex, преобразованный файл STK500.hex, а если вдруг Ваш программатор не работает с .hex, то прикладываю программу hex2bin.exe перевода .hex в .bin. Файлы в архиве
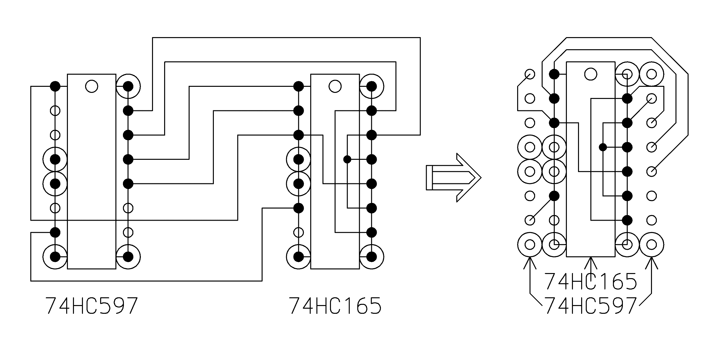
Для тех, кто не может найти микросхему 74HC597, прилагается рисунок, показывающий, как заменить её на микросхему 74HC165. На рисунке кругами обведены выводы, которые совпадают. Их нужно оставить как есть, остальные поднять вверх и впаять микросхему. Далее по схеме для 74HC165 соединить её выводы между собой и проводами провести связи в соответствующие отверстия для выводов 74HC597 в плате. Рисунок Плату,в формате Sprint Layout 5 с разводкой под микросхему 74HC165 вместо 74HC597 можно скачать на форуме Радиокота: http://radiokot.ru/forum/viewtopic.php?p=643909#p643909 При доработке использовались материалы, выложенные SEMA по адресу: http://radiokot.ru/lab/controller/41/
|