|
|
Теория >> Ключевой вопрос Ключевой вопрос силовой электроники
"Как включать и выключать силовые ключи, чтобы потери на переключение были минимальны?"
Или МЕТОД РАЗДЕЛЕНИЯ ПЕРВИЧНОЙ ОБМОТКИ ТРАНСФОРМАТОРА, как универсальное средство для мягкого переключения.
Этот вопрос является ключевым не только потому, что речь идёт о ключах. От потерь на переключение зависят основные параметры источников питания:
-
КПД (коэффициент полезного действия).
- Чем он выше, тем меньше энергии уходит в тепло, соответственно, меньше габариты, вес и стоимость охладителей и всего изделия в целом.
-
Рабочая частота.
- Суммарные динамические потери энергии равны произведению потерь на переключение и рабочей частоты силовых ключей. Соответственно, чем меньше потери на переключение, тем с большей частотой можно переключать силовые ключи, не превышая допустимой для них мощности рассеивания тепла. При работе на более высокой частоте габариты, вес и стоимость магнитных элементов и конденсаторов также уменьшаются.
-
Излучение радиопомех.
- Каждое переключение сопровождается импульсами тока и напряжения в цепях, связанных с силовым ключом, что вызывает излучение части энергии в виде электромагнитных волн, являющихся помехами для окружающих средств радиосвязи и иных устройств, и приводит к сбоям собственной схемы управления. Потери на излучение являются частью потерь на переключение, и чем они меньше, тем слабее излучение.
Это позволяет использовать фильтры с меньшими габаритами, весом, и стоимостью.
Уменьшение помех на собственную схему управления, повышает надёжность работы изделия в целом.
-
Надёжность.
- Каждое переключение приводит к ударному выделению большого количества тепла в небольшом участке кристалла ключевого элемента. Давление в местах выделения тепла резко повышается, что аналогично микровзрыву. При некоторой скорости тепловыделения кристалл может получить дефект не от повышения температуры до точки фазового перехода, а в связи с появлением микротрещин. Уменьшение потерь на переключение снижает вероятность такого исхода, что способствует повышению надёжности изделия.
-
Коэффициент использования ключей.
- Это, пожалуй, самая ощутимая награда за уменьшение потерь на переключение.
Максимальное действующее значение тока, которое может выдержать ключ, в основном определяется максимальным количеством тепла, которое может быть отведено от кристалла за единицу времени. Зависит от максимально допустимой рабочей температуры кристалла, теплового сопротивления кристалл-охладитель, теплового сопротивления охладителя, и температуры окружающей среды. Понятно, что тепло, выделяемое в кристалле протекающим через ключ током, за то же время, не должно превышать этой величины, иначе температура кристалла станет выше допустимой.
Тепло, выделяемое действующим в ключе током, складывается из статических потерь, которые зависят только от амплитуды тока, (потери проводимости), и динамических потерь, зависящих от амплитуды тока, напряжения и частоты переключения ключа (потери на переключение). С возрастанием частоты переключения, динамические потери добавляются к статическим, принуждая снижать величину тока, для получения того же максимального количества выделяемого тепла.
Кажущееся предположение, что частоту можно сильно не повышать, не верно. Современная элементная база оптимизирована на частоты 30-50 КГц, любое отклонение от этого диапазона ведёт к удорожанию изделия. И если повышение частоты порой бывает оправдано уменьшением габаритов изделия, то снижение приводит к потере его конкурентоспособности.
В настоящее время существуют методы, настолько снижающие потери на переключение, что, по сравнению со статическими потерями, ими можно пренебречь, по крайней мере, для указанного диапазона частот.
Это позволяет выбрать простые критерии оценки максимального тока в ключе:
Поскольку в большинстве схем ключи работают со скважностью, не превышающей 0,5, возможно увеличение амплитудного значения тока в импульсе, превышающее величину, указанную в справочных данных на ключ для постоянного тока, при условии, что тепловое воздействие на ключ не превысит аналогичной величины для указанного предельно допустимого постоянного тока.
На практике, от схемы «косого моста» на транзисторах IRGP50B60PD1, на частоте 50 КГц, в сварочном аппарате, при введении регенеративного демпфера, сильно снижающего потери на переключение, удалось повысить сварочный ток от 165 А до 210 А, при том же охладителе транзисторов. Без демпфера транзисторы просто выгорали.
Переключение ключей с неконтролируемыми потерями принято называть «жёстким». Если приняты меры по снижению потерь, такое переключение называется «мягким». Переключение ключа без потерь из разомкнутого состояния в замкнутое, называется «мягким включением», а такое же переключение из замкнутого состояния в разомкнутое - «мягким выключением».
Способы достижения мягкого включения и мягкого выключения для одного и того же ключа в общем случае различны, хотя в некоторых случаях одним решением могут быть достигнуты мягкое включение и мягкое выключение одновременно.
Поиски новых способов мягкого переключения начались с момента рождения силовой электроники, и продолжаются до сих пор. Некоторые достижения в этой области широко известны и применяются повсеместно.
Приёмы, используемые для получения мягкого переключения, в сильной степени зависят от конфигурации схемы силовой части. Поэтому целесообразно начать рассмотрение с простейших – одноключевых схем. Для определённости в качестве ключа будем использовать транзистор IGBT. В качестве нагрузки будем рассматривать трансформатор, поскольку в большинстве случаев в силовой электронике именно он и является нагрузкой. И не будем здесь рассматривать резонансные схемы, требующие отдельного изучения.
Одноключевые схемы
Возможны два варианта одноключевого (однотранзисторного) силового каскада - с нагрузкой, соединённой с положительной шиной питания (на рисунке 1 изображён слева) и с нагрузкой, соединённой с отрицательной шиной питания (на рисунке 1 изображён справа). Исходя из традиционного начертания принципиальных схем, первый вариант иначе называют вариантом "с нижним ключом", а второй - "с верхним ключом". Вывод транзистора, соединённый с трансформатором, будем называть активным.
Рис.1. Варианты однотранзисторного силового каскада.
Реальный трансформатор всегда имеет индуктивность рассеивания, возникающую из-за того, что магнитная связь между его обмотками никогда не бывает полной. Эквивалентная схема реального трансформатора может быть представлена в виде идеального трансформатора TU, последовательно с первичной (или вторичной) обмоткой которого включена индуктивность рассеивания Ls. Варианты каскадов, представленных на рис.1, с учётом индуктивности рассеивания трансформаторов, примут вид, показанный на рисунке 2.
Рис.2. Эквивалентные схемы вариантов однотранзисторного силового каскада
Наличие индуктивности рассеивания у реальных трансформаторов, с одной стороны, вызывает проблемы с утилизацией накапливающейся в ней энергии, а с другой стороны, обеспечивает включение силового транзистора при нулевом токе, то есть, без потерь мощности при включении транзистора. Происходит это вследствие того, что ток I в индуктивности L зависит от напряжения U, приложенного к её выводам, и нарастает линейно во времени t, в соответствии с формулой:
 dI = ( U / L ) * dt,      (1)
и за короткое время включения транзистора dt = tвкл не успевает дорасти до существенной величины. Из формулы следует, что чем больше величина индуктивности рассеивания, тем меньше конечная (за время включения) величина тока и, соответственно, меньше потери при включении. То есть, стремиться к уменьшению индуктивности рассеивания , конечно, надо, но до определённых пределов, которые вполне можно оценить, используя формулу (1).
Таким образом, в одноключевых каскадах с трансформаторной нагрузкой нет необходимости бороться с потерями при включении транзистора. Поэтому основные усилия обычно направлены на борьбу с потерями при выключении.
В нерезонансных схемах к моменту выключения ток в транзисторе и, соответственно, в индуктивности рассеивания достигает своего максимального значения в цикле передачи энергии. После снятия импульса включения, заряды на управляющем переходе транзистора начинают рассасываться, и, начиная с некоторого момента времени, коллекторный переход становится не в состоянии обеспечить ток, установившийся на момент выключения транзистора. Это и есть момент начала реального закрывания транзистора. Здесь опять вступает в работу индуктивность рассеивания. Ток в индуктивности не может изменяться мгновенно, и она становится "насосом", выкачивающим заряды с коллекторного перехода транзистора. Но уменьшающийся по мере закрывания транзистора ток коллекторного перехода не может полностью скомпенсировать ток, протекающий в индуктивности рассеивания. Разность токов индуктивности рассеивания и коллекторного перехода уходит на заряд выходной ёмкости транзистора. Напряжение на транзисторе повышается. На нём начинает рассеиваться мощность, равная в каждый момент времени произведению тока коллекторного перехода и напряжения на транзисторе. Интеграл этой мощности от момента начала закрывания до полного прекращения тока в коллекторной цепи и есть мощность, выделяемая на транзисторе при выключении.
Максимальная величина напряжения на транзисторе определяется энергией, запасённой в индуктивности рассеивания, и, если не принять специальных мер, может превысить величину напряжения пробоя транзистора. Наиболее популярной мерой является соединение активного вывода транзистора с источником фиксирующего напряжения Uf через диод VDf, как это показано на рисунке 3. При достижении на транзисторе напряжения, равного напряжению фиксации, диод открывается, и энергия индуктивности рассеивания уходит в источник напряжения фиксации.
Наиболее распространённым приёмом, используемым для уменьшения мощности, рассеиваемой в транзисторе при его выключении, является подключение конденсатора к активному выводу транзистора на время выключения таким образом, чтобы он заряжался, (или наоборот, разряжался) током индуктивности рассеивания. Это уменьшает скорость роста напряжения на транзисторе, в то время как ток уменьшается с той же скоростью. Соответственно, интеграл произведения тока коллектора и напряжения на транзисторе, представляющий собой мощность, рассеиваемую транзистором при выключении, уменьшается. Для того, чтобы конденсатор мог выполнять свою функцию, необходимо, чтобы к моменту выключения он был полностью разряжен, (или, наоборот, полностью заряжен). Обычно разряд, (или заряд) конденсатора производится в момент включения транзистора.
Цепи, обеспечивающие перезаряд конденсатора в момент включения транзистора и подключение его к транзистору в момент выключения, называются снабберами. В зависимости от того, как производится перезаряд конденсатора - путём рассеивания накопленной в нём энергии на резисторе, или с возвратом её в источник питания (или в выходную цепь), снабберы делятся на диссипативные и регенеративные. Варианты подключения снабберов к транзисторам показаны на рисунке 3. Пунктиром нарисована цепь возврата энергии регенеративного снаббера.


Рис.3. Схемы включения фиксирующего диода и снабберов выключения
Пример диссипативного RCD-снаббера приведён на рисунке 4. В момент включения транзистора конденсатор Csn начинает разряжаться через резистор Rsn с постоянной времени î = Rsn*Csn. За время, равное î, конденсатор разряжается до напряжения, равного 0,368 от начальной величины. Разряд конденсатора можно считать полным, когда напряжение на нём установится в пределах нескольких вольт. При напряжении питания U = 300В для этого потребуется время порядка
 Тр = (4-5)*î = (4-5)*Rsn*Csn      (2)
Формула (2) позволяет определить минимальную длительность импульсов, при которой снаббер начинает работать эффективно. Уменьшить это время можно, выбрав резистор Rsn меньшей величины, но тогда увеличивается ток, протекающий через транзистор в момент включения, равный
 Isn = U / Rsn, и включение перестаёт быть мягким.
Перед каждым включением транзистора, конденсатор Csn заряжен до напряжения питания U. При каждом включении транзистора, электрическая энергия, запасённая в конденсаторе, равная
 Esn = Csn*U2 / 2, совершает работу на нагревание резистора Rsn. Если транзистор переключается с частотой f, то работа на нагревание резистора за одну секунду, по определению представляющую собой мощность, рассеиваемую резистором Rsn, составит величину, равную
Ёмкость конденсатора Csn выбирается, с одной стороны, из соображения, что чем она больше, (до некоторой величины) тем легче транзистору, с другой стороны, затягивание фронта выключения с увеличением ёмкости приводит к уменьшению коэффициента заполнения импульсов передачи энергии и снижению максимальной мощности разрабатываемого источника питания. Но чаще всего ограничением величины ёмкости диссипативного снаббера является уровень рассеиваемой резистором Rsn мощности, определяемый по формуле (3). Если за критерий эффективности снаббера принять уменьшение пиковой мощности, рассеиваемой в транзисторе во время выключения, то в диапазоне ёмкости от 1nF до 10nF она снижается пропорционально увеличению ёмкости. При 10nF пиковая мощность уменьшается на порядок. Дальнейшее увеличение ёмкости не столь эффективно, и при величине более, чем 22nF бесполезно. На практике величина ёмкости Csn колеблется в пределах от 1nF до 15nF. Как следует из формулы (3), при низких частотах переключения ёмкость Csn может быть выбрана больше, чем при высоких, при той же рассеиваемой мощности Rsn.

Рис.4. Схемы включения диссипативного RCD-снаббера для нижнего и верхнего ключей
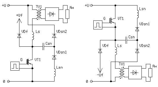
На рисунке 5 приведён пример регенеративного LCD-снаббера и схемы его включения для нижнего и верхнего ключей. Рассмотрим принцип работы регенеративного снаббера для нижнего ключа (левый рисунок).
Как описано выше, в процессе выключения транзистора VT1, в результате возврата энергии, накопленной в индуктивности рассеивания Ls, напряжение на его коллекторе дорастает до величины
 U1 = Uf + Uvdf, где Uf - напряжение фиксирующего источника, Uvdf - падение напряжение на открытом фиксирующем диоде VDf. В этот момент напряжение на конденсаторе Csn равно
 Ucsn = U1 - U - Uvdsn2 = Uf + Uvdf - U - Uvdsn2, где Uvdsn2 - падение напряжение на открытом диоде VDsn2. Можно считать, что падения напряжений на открытых диодах одинаковы: Uvdf = Uvdsn2, и тогда выражение для напряжения на конденсаторе Csn примет вид:
 Ucsn = Uf - U         (4)
После того, как вся энергия, накопленная в Ls, перейдёт в фиксирующий источник напряжения +Uf и некоторого переходного процесса, в результате которого токи, протекающие через трансформатор TV1 и индуктивность рассеивания Ls станут равными нулю, напряжение на коллекторе транзистора VT1 установится на уровне напряжения питания +U. Диоды VDf и VDsn2 закроются, и, если величина напряжения Ucsn на конденсаторе Csn, определённая формулой (4) получилась меньше, чем напряжение питания U, то она такой и останется. Если напряжение Ucsn оказалось больше, чем напряжение питания U, то в процессе переходного процесса откроется диод VDsn1, и напряжение на конденсаторе Csn станет, с точностью до падения напряжения на открытом диоде VDsn1, равным напряжению питания U. Отсюда следует, что для того, чтобы конденсатор Csn после выключения транзистора был полностью заряжен, фиксирующее напряжение Uf должно быть в два раза больше напряжения питания U.
При включении транзистора VT1 напряжение на его коллекторе, и соединённой с ним обкладке конденсатора Csn, станет близким к нулю. Диод VDsn1 откроется, и всё напряжение Vcsn, за вычетом небольших падений напряжения на открытом диоде VDsn1 и транзисторе VT1, отрицательной полярностью приложится к индуктивности Lsn. (Чтобы каждый раз не повторяться, в дальнейшем будем считать падения напряжений на диоде и транзисторе равными нулю). В этот момент начинается колебательный процесс в контуре, образованном индуктивностью Lsn и ёмкостью Csn, с периодом колебаний
 Tsn = 2*¶*V¯(Lsn*Csn),   (5)
и с начальными условиями, когда вся энергия сосредоточена в конденсаторе:
 Esn = Csn*Ucsn2 / 2        (6)
- напряжение на конденсаторе максимально и ток Ilsn в индуктивности Lsn равен нулю.
Из теории колебательного процесса следует, что через четверть периода Tsn напряжение на конденсаторе Csn станет равным нулю, а ток в индуктивности Lsn достигнет максимальной величины Imsn, вся энергия перейдёт в индуктивность Lsn:
 Esn = Lsn*Imsn2 / 2,        (7)
подставив в формулу (7) выражение для величины Esn согласно (6), получим:
Csn*Ucsn2 / 2 = Lsn*Imsn2 / 2  (8)
Максимальную величину тока Imsn можно найти, преобразовав выражение (8):
 Imsn = Ucsn*V¯(Csn / Lsn),     (9)
где Ucsn - напряжение, которое было на конденсаторе при начальных условиях.
С этого момента ток в индуктивности Lsn начинает уменьшаться, а напряжение на конденсаторе Csn увеличиваться, но с полярностью, противоположной исходному состоянию. Ещё через четверть периода Tsn вся энергия из индуктивности Lsn перейдет в конденсатор Csn, напряжение на нём досигнет исходной величины Ucsn, но противоположной полярности. Ток в контуре прекратится, диод VDsn1 закроется, и колебательный процесс на этом остановится. Конденсатор готов к выполнению своей функции в снаббере.
Полное время Tр перезаряда конденсатора Csn равно половине периода Tsn:
 Tр = (1/2)*2*¶*V¯(Lsn*Csn = *¶*V¯(Lsn*Csn)   (10)
Формула (10) позволяет определить минимальную длительность импульсов, при которой снаббер начинает работать эффективно.
Следует иметь ввиду, что из-за наличия потерь в контуре Lsn-Csn и тех напряжений, которыми мы пренебрегли при рассмотрении процесса, перезаряд конденсатора Csn никогда не бывает полным. Для эффективной работы регенеративного снаббера необходимо компенсировать потери. Способы компенсации потерь будут рассматриваться при моделировании конкретных скем. А пока будем считать, что все потери скомпенсированы, и конденсатор Csn заряжен до напряжения питания:
 Ucsn = U, как и предполагалось при описании процесса выключения транзистора VT1.
Всё отличие процесса выключения от схемы с диссипативным снаббером заключается в том, что конденсатор Csn не заряжается током индуктивности рассеивания Ls, а разряжается через диод VDsn до нуля, а затем перезаряжается до величины, определяемой по формуле (4).
Ёмкость конденсатора Csn в регенеративном снаббере реально может выбираться в бо‘льших пределах в сторону увеличения, чем в диссипативном, но связанное с увеличением ёмкости затягивание фронта выключения приводит к уменьшению коэффициента заполнения импульсов передачи энергии и снижению максимальной мощности разрабатываемого источника питания. Увеличивается минимальная длительность импульсов, при которой снаббер начинает работать эффективно. Увеличивается максимальная величина тока перезаряда конденсатора, которая, складываясь в транзисторе с током нагрузки, может превысить предельную для транзистора величину. Разумным критерием может служить величина пиковой мощности рассеивания в транзисторе при его выключении. При ёмкости 15nF - 22nF эта мощность становится сравнимой с мощностью потерь проводимости, и при дальнейшем увеличении ёмкости эффективность её действия снижается. На практике величина ёмкости Csn, как и в случае диссипативного снаббера, колеблется в пределах от 1nF до 15nF.
Величина индуктивности выбирается после выбора ёмкости из тех соображений, что чем она меньше, тем меньше время перезаряда конденсатора, но минимально возможная её величина должна быть такой, чтобы ток перезаряда конденсатора, определяемый по формуле (9), в сумме с максимальным током нагрузки не превысили максимально допустимого тока в транзисторе.
Точный расчёт процессов переключения в транзисторах затруднён из-за того, что точные параметры всех транзисторов неизвестны. Наиболее правильно оценить необходимые параметры снабберной ёмкости и индуктивности может моделирование схемы с использованием моделей элементов, представленных их производителями.

Рис.5. Схемы включения регенеративного LCD-снаббера для нижнего и верхнего ключей
На этом этапе рассмотрение однотранзисторных схем может быть завершено. Описанных способов обеспечения мягкого переключения транзисторов вполне достаточно для перехода к следующему этапу - обсуждению вариантов схем двухтранзисторных силовых каскадов с точки зрения обеспечения в них мягкого переключения транзисторов. Из множества возможных вариантов рассмотрим здесь наиболее популярные и перспективные.
Схемы силовых каскадов с двумя ключами
В отличие от однотранзисторных каскадов, двухтранзисторные могут быть двух типов - однотактными, в которых оба транзистора всегда открываются и закрываются в одни и те же моменты времени, и двухтактными, в которых транзисторы открываются поочерёдно.
На рисунке 6 слева представлен вариант однотактного каскада, в котором использован один однотранзисторный каскад с нижним ключом и один - с верхним ключом, работающие на общую нагрузку. Напряжение питания каждого из использованных однотранзисторных каскадов равно U/2, а напряжение фиксации равно U - в два раза выше. Справа показан вариант, в котором два трансформатора TV1 и TV2 заменены одним TV1, со средней точкой в первичной обмотке, соединённой с источником питания U/2. Но, поскольку схема полностью симметрична, напряжение на выводе средней точки трансформатора TV1 всегда равно U/2, поэтому соединяющий провод показан пунктиром, - в нём, как и в отдельном источнике напряжения U/2, нет необходимости.

Рис.6. Схема однотактного каскада с нижним и верхним ключами.
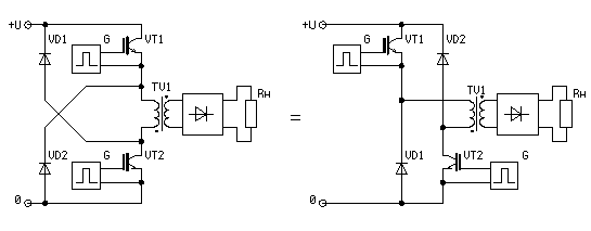
Удалив за ненадобностью из первичной обмотки трансформатора TV1 средний вывод, как показано на рисунке 7 слева, получим широко известную схему "косого моста", показанную на рисунке 7 в двух вариантах начертания. Своё название схема получила из-за того, что, согласно правому изображению, она получается из схемы полного моста путём замены транзисторов одной из диагоналей диодами.
Рис.7. Схема "косого моста".
На рисунке 8 показана схема "косого моста" с диссипативными RCD-снабберами в двух вариантах начертания.
Рис.8. Схема "косого моста" с диссипативными RCD-снабберами
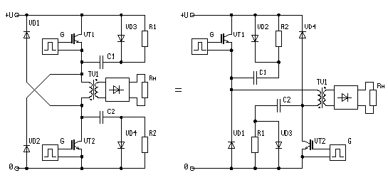
Внедрение регенеративного снаббера в схему "косого моста" не так просто из-за физического отсутствия в нём источника питания U/2. Поэтому начнём рассмотрение со второй ступени преобразования однотактного двухтранзисторного каскада в схему "косого моста" (см. рис. 6 справа). На рисунке 9 слева показан вариант схемы со средней точкой в первичной обмотке трансформатора TV1, соединённой с источником питания U/2, в которую введены регенеративные снабберы нижнего и верхнего ключей. На первом этапе внедрения отсоединим разрядные диоды VDsn2 и VDsn3 от вывода источника напряжения U/2, и соединим каждый из них с источником своего фиксирующего напряжения, как это показано на рисунке 9 справа. При этом, согласно формуле (4), поскольку Uf = U, конденсаторы Csn1 и Csn2 при выключении транзисторов будут полностью разряжаться до Ucsn = 0. Если больше никаких изменений не делать, то при включении транзисторов никакого процесса перезаряда снабберных конденсаторов не произойдёт, они так и останутся разряженными. Для того, чтобы происходил процесс перезаряда, необходимо, чтобы при включении транзисторов к снабберным индуктивностям было приложено напряжение, которое в процессе перезаряда и перейдёт в конденсаторы. Напрашивается решение, что для этого снабберные индуктивности должны быть соединены с противоположными шинами питания. Но есть ещё более красивое решение - объединение двух снабберных цепей в одну, для чего их просто необходимо соединить последовательно. На рисунке 9 справа показано, как это делается. Выводы снабберных индуктивностей, соединённые с шинами питания, отсоединяются от них (показано пунктиром), и соединяются вместе.
Рис.9. Последовательность преобразования регенеративного LCD-снаббера для внедрения в схему "косого моста"
Последовательно соединённые индуктивности Lsn1 и Lsn2 (см рис. 9 справа) можно заменить одной, и два последовательно включённых диода VDsn1 и VDsn4 тоже можно заменить одним. Поскольку схема полностью симметрична, напряжение на выводе средней точки трансформатора TV1 всегда равно U/2, поэтому соединяющий провод показан пунктиром, - в нём, как и в отдельном источнике напряжения U/2, нет необходимости. На рисунке 10 слева показан результат преобразования. Справа та же схема в другом начертании.
Рис.10. Включение регенеративного LCD-снаббера в схему "косого моста"
Другие возможные варианты однотактных каскадов с двумя транзисторами не представляют широкого интереса и рассматривать их здесь мы не будем. Перейдём к рассмотрению двухтактных каскадов с двумя транзисторами.
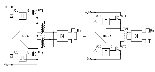
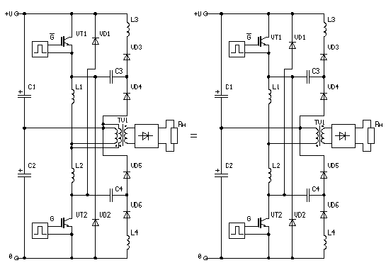
На рисунке 11 слева представлен вариант двухтактного каскада, в котором использован один однотранзисторный каскад с нижним ключом и один - с верхним ключом, работающие на общую нагрузку. Основные его отличия от однотактного заключаются в полярности включения силовых трансформаторов TV1 и TV2 и в последовательности импульсов управления, поступающих на входы транзисторов не одновременно, а поочерёдно. Напряжение питания каждого из использованных однотранзисторных каскадов равно U/2, а напряжение фиксации равно U - в два раза выше. Справа показан вариант, в котором два трансформатора TV1 и TV2 заменены одним TV1, с двумя одинаковыми первичными обмотками, концы которых соединены с шиной источника питания U/2, а начала - с активными выводами нижнего и верхнего ключей.
Рис.11. Схема двухтактного каскада с нижним и верхним ключами.
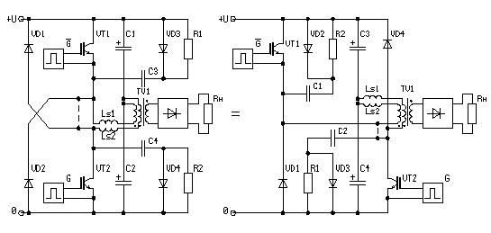
Первичные обмотки в трансформаторе TV1 (см. рис.11 справа) включены синфазно, если соединить начала этих обмоток, как показано на рисунке 12 слева, и перерисовать, как показано на рисунке 12 справа, получится схема, широко известная под названием "полумост" с той разницей, что диоды VD1 и VD2 обычно интегрированы соответственно в транзисторы VT1 и VT2 и часто на схеме полумоста не указываются. Вместо источника напряжения U/2 здесь применён ёмкостный делитель напряжения C1 - C2, что возможно в симметричной схеме, если импульсы, подаваемые на входы транзисторов VT1 и VT2 тоже симметричны, то есть, имеют одинаковую длительность и скважность. Тогда заряды, которые получают и отдают конденсаторы C1 и C2 за один цикл работы схемы равны, и, при достаточной ёмкости, напряжение в точке их соединения будет практически постоянно и равно половине напряжения питания U.
Схему, показанную на рисунке 11 справа, будем называть схемой полумоста с разделённой обмоткой, из тех соображений, что получить её можно, "расщепив" первичную обмотку трансформатора в схеме классического полумоста на два провода и соединив их выводы, а также фиксирующие диоды, в соответствии с правой схемой на рисунке 11. (В реальной конструкции разделить жгут, которым мотается первичная обмотка на два изолированных, или мотать двумя изолированными проводами вместо одного).
Рис.12. Переход к схеме полумоста
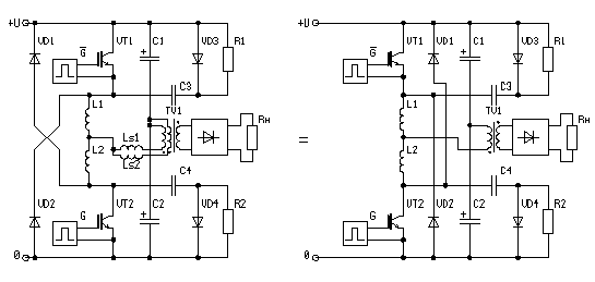
На рисунке 13 показано включение диссипативных RCD-снабберов в схему полумоста с разделённой обмоткой в двух вариантах начертания. Пунктиром обозначены места соединения выводов обмоток трансформатора, приводящие к получению схемы классического полумоста. Основное принципиальное отличие схемы с разделением обмотки от классической состоит в том, что в ней активные выводы нижнего и верхнего ключей не имеют непосредственной связи, а соединены через индуктивности рассеивания первичных обмоток трансформатора VT1. Это устраняет основной недостаток полумостовой схемы, состоящий в том, что, при наличии снабберов, в момент включения одного из ключей, снабберный конденсатор второго ключа перезаряжается непосредственно через коллектор открывающегося транзистора и создаёт в нём потери при включении. В индуктивностях рассеивания ток мгновенно изменяться не может, поэтому в схеме с разделением обмотки дополнительные потери при включении транзисторов от перезаряда ёмкости другого снаббера не возникают.

Рис.13. Включение диссипативных RCD-снабберов в схему полумоста с разделённой обмоткой
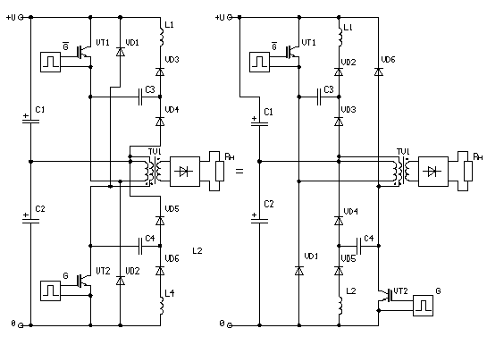
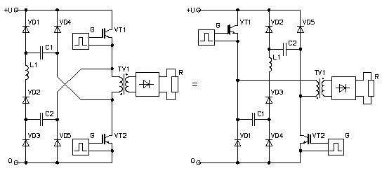
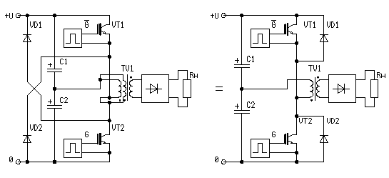
Этот недостаток схемы классического полумоста может быть устранён, если искусственно ввести небольшие индуктивности в цепи, соединяющие активные выводы нижнего и верхнего ключей. На рисунке 14 представлена схема классического полумоста с диссипативными снабберами, в которую введены дополнительные индуктивности L1 и L2, устраняющие жёсткое переключение при включении транзисторов. Заметим, что в этом случае диоды, интегрированные в транзисторы, не используются.
Рис.14. Введение в схему классического полумоста с диссипативными RCD-снабберами дополнительных индуктивностей
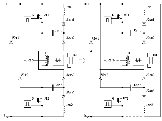
На рисунке 15 показано включение регенеративных LCD-снабберов в схему полумоста с разделённой обмоткой, в двух вариантах начертания.

Рис.15. Включение регенеративных LCD-снабберов в схему полумоста с разделённой обмоткой
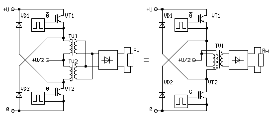
При включении регенеративных снабберов в схему классического полумоста, возникает та же проблема с включением транзисторов, что и при включении диссипативных. Устранение возникающего жёсткого включения транзисторов достигается тем же способом. На рисунке 16 представлена схема классического полумоста с регенеративными снабберами, в которую введены дополнительные индуктивности L1 и L2, устраняющие жёсткое переключение при включении транзисторов. Заметим, что в этом случае диоды, интегрированные в транзисторы, также не используются.

Рис.16. Введение в схему классического полумоста с регенеративными LCD-снабберами дополнительных индуктивностей
В принципе, рассмотренных вариантов схем достаточно, чтобы теперь практически любую трансформаторную схему источника питания привести к виду, допускающему эффективное применение регенеративных или диссипативных снабберов для получения мягкого переключения. Для этого необходимо использовать метод разделения первичной обмотки на два параллельных жгута и привести схему к набору каскадов, из ряда рассмотренных в этой статье. Это могут быть не только однотранзисторные каскады. Напрмер, схема классического моста может быть с применением метода разделения обмотки разложена на две схемы "косого моста", вообще не имеющие между собой гальванической связи. Такой вариант позволяет, например, включить две её половины при питании от трёхфазной сети последовательно, что позволяет использовать более эффективные 600-вольтовые транзисторы вместо высоковольтных.
Метод разделения обмотки с успехом может быть применён в резонансных схемах. Использование снабберов в этом случае позволяет сильно расширить диапазон нагрузок, в котором сохраняется мягкое переключение транзисторов.
Положительная сторона метода разделения обмотки понятна. Из недостатков, кроме очевидных чисто конструктивных, существенным является повышение индуктивности рассеивания, если в трансформаторе используются обычные Ш-образные сердечники. Этот недостаток устраняется, если использовать П-образный сердечник и наматывать на одном керне сердечника часть разделённой первичной обмотки только с той половиной вторичной обмотки, с которой нужна хорошая магнитная связь, а вторую часть первичной обмотки и вторую половину вторичной обмотки - на другом керне.
=В.С.= 18 марта 2009 г.
4. Сайт В.Я.Володина "Power Electronics", на котором принцип разделения обмотки получил право на жизнь и стал просто ещё одним способом мягкой коммутации транзисторов.
Таким образом, эта статья является завершающим аккордом коллективной творческой работы большого числа русскоязычных энтузиастов силовой электроники из разных стран и даже частей света. От того, что я был носителем и толкателем идеи, отрекаться не буду.
Всем, кто причастен к этой работе, выражаю признательность, и прошу принять поздравление с успешным завершением большого многолетнего коллективного труда!
|